
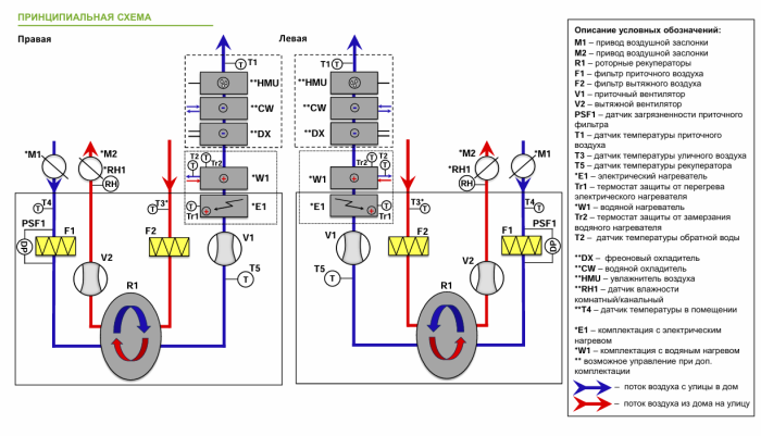
Alasca RR1000H EC — приточно-вытяжная вентиляционная установка каркасно-панельного типа с роторным рекуператором, предназначенная для вентиляции помещений площадью от 100 до 330 м². Производительная установка H-типа с роторным рекуператором.
В отличие от обычной приточной вентиляции, где весь объём поступающего воздуха зимой нужно нагревать с уличной температуры, рекуператор Alasca извлекает тепло из удаляемого воздуха и передаёт его входящему потоку. Это позволяет сократить затраты на отопление до 10 раз по сравнению с обычной вентиляцией без рекуперации.
В комплекте: два вентилятора с EC-моторами, два фильтра класса F5, роторный рекуператор собственной разработки, автоматика с сенсорным пультом управления, датчики температуры. Установка работает при наружной температуре до −33°C (в арктическом исполнении — до −65°C). Установку можно разместить на полу, стене или за подвесным потолком. H-модификация: воздуховоды подключаются с двух сторон на одной оси. Опционально: Wi-Fi и Ethernet модули, датчик CO₂, фильтры HEPA H12, жидкостный или электрический нагреватель.
Этот коэффициент показывает, какой процент тепла возвращается обратно в помещения. Применение роторного рекуператора позволяет возвращать тепловую энергию из вытяжного воздуха приточному. Роторный рекуператор использует вращающееся колесо с теплоаккумулирующей насадкой для максимально эффективного теплообмена.
Карманные фильтры большой ёмкости класса F5 задерживают пыль, сажу, пыльцу растений и другие загрязнения. Опционально: фильтры F7-F9, HEPA H12. Для чистых помещений — HEPA и ULPA фильтры H10-U17.
Установка обеспечивает расход воздуха до 1000 м³/ч при уровне шума от 39 дБ(А) на минимальной скорости. Оптимальный баланс производительности и габаритов. H-модификация: воздуховоды подключаются с двух сторон на одной оси.
За счёт технологии рекуперации вам не придётся нагревать зимой воздух с улицы мощными нагревателями. Рекуператор Alasca берёт тепло из вытяжного воздуха и передаёт его приточному. Потоки при этом не смешиваются — вы получаете свежий воздух без запахов и загрязнений.
Карманные фильтры F5 (EU5) удерживают пыль, сажу, аллергены и загрязнения крупнее 1 мкм. Замена: раз в полгода (город, вблизи магистралей) или раз в год (загородные дома).
На заказ: фильтры HEPA, ULPA для мельчайших частиц, фотокаталитические УФ-фильтры для уничтожения органики, вирусов, бактерий и запахов.
Идеально отбалансированные вентиляторы серьёзно снижают расход электроэнергии. Аэродинамические свойства позволяют создавать бесшумные системы вентиляции.
Свежий и чистый воздух комфортной температуры стимулирует продуктивность — лучший сон, лучшая производительность труда. Лучшие в отрасли показатели энергоэффективности: максимальный комфорт с минимальными затратами на его создание.
Применение вентиляционных установок позволяет контролировать содержание CO₂ в воздухе. В автоматическом режиме установка увеличивает производительность, когда количество людей растёт, и снижает — когда людей мало. Функцию можно включить или отключить.
Повышенный уровень CO₂ вызывает головные боли, снижение концентрации и сонливость. Автоматический контроль обеспечивает оптимальное качество воздуха без лишних затрат энергии.
Установку можно разместить на полу, стене или за подвесным потолком. Крепление в четырёх точках, встроенная автоматика. Подключите воздуховоды, закрепите пульт управления, вставьте датчик в подающий воздуховод и включите установку в розетку.
Установка позволяет подключать до двух настенных пультов управления. Wi-Fi модуль и Ethernet модуль — опциональные. Интеграция с умным домом через протокол Modbus RTU.
Управление через пульт, мобильное приложение или веб-версию.
Мощность калорифера | 3 кВт |
Вход для пожарной сигнализации | Да |
Вход "Внешний стоп" | Да |
Функция «Авторестарт» | Да |
Функция «Понижение скорости» | Да |
Функция «Северный старт» | Да |
Плавное управление калорифером | Да |
Сенсорный пульт ДУ | Да |
Датчик температуры рекуператора | Да |
Защита от перегрева/обмерзания калорифера | Да |
Датчик температуры подаваемого воздуха | Да |
Датчик температуры улицы | Да |
| Модификация | |
Вентилируемая площадь | 100 — 330 кв. м. |
Нагреватель | Электрический |
Тип рекуператора | Роторный |
| Основные | |
Уличного исполнения | Нет |
Коэффициент возврата тепла | до 85% |
Автоматика | Да |
Недельный таймер | Да |
Режим «отпуск» | Да |
Индикатор загрязнения фильтра | Да |
Тип вентилятора | EC |
Скорости | 10 |
Защита теплообменника от замерзания | Да |
Монтаж в различных положениях | Да |
| Параметры теплоносителя | |
Расход, м3ч | 1000 |
| Дополнительно | |
Производительность, (м3/ч / Па) | 1000/685 |
Диаметр воздуховодов | 250 мм |
Питание, (В/Гц) | 230/50 |
Мощность моторов | 540 Вт |
Габаритные размеры | 1080 × 700 × 650 мм |
Вес | 136 кг |
| Фильтрующая секция | |
Приточный фильтр | F5 |
Вытяжной фильтр | F5 |
| Гарантия | |
На вентиляторы и автоматику | 3 года |
На корпус и рекуператоры | 3 года |
Ориентация | Горизонтальная |
Электропотребление вентиляторов, кВт | 1.14 |
Электропотребление нагревателя, кВт | 3 |
Общее электропотребление, кВт | 4.16 |
Макс. уровень шума, дБа | 63 |
Мин. уровень шума, дБа | 39 |
Высота, мм | 650 |
Длина, мм | 1080 |
Ширина, мм | 700 |
Диаметр воздуховода, мм | 250 |
Эффективность рекуператора, % | 93% |
Мощность вентилятора, Вт | 570 |
Мощность электрического нагревателя, кВт | 3 |
Мощность водяного нагревателя, кВт | 12 |
Класс Фильтрации | F5 |
Тип двигателя | EC (электронно-коммутируемый) |
Количество фаз питания | 1 |
Общая потребляемая мощность, Вт | 540 |
Макс. статическое давление, Па | 675 |
Диаметр ротора, мм | 530 |
Количество колёс ротора | 1 |
Обороты ротора, об/мин | 12 |
Тип фильтра | Карманный |
Масса, кг | 134 |
Дополнительно к базовой комплектации:
Дополнительно к базовой комплектации:
Рекомендуемые опции: воздушные заслонки с электроприводом (2 шт.), смесительный узел
Максимальная готовность к монтажу — всё необходимое для подключения к системе жидкостного отопления уже в комплекте:
Серия Pro — установка поставляется полностью готовой к монтажу. Вам не нужно отдельно подбирать заслонки и смесительный узел — всё подобрано под вашу установку и идёт в сборе.
График показывает аэродинамическую характеристику установки (расход воздуха Q vs создаваемое давление P). Переключатель сверху меняет класс фильтра — G4+F7 (более тонкая 2-ступенчатая) теряет ~10–20% давления.
BIM-модель для данного оборудования находится в разработке. Оставьте заявку — мы подготовим и отправим вам файл в формате RFA (Autodesk Revit).